COMPANY HEADER
Request Information
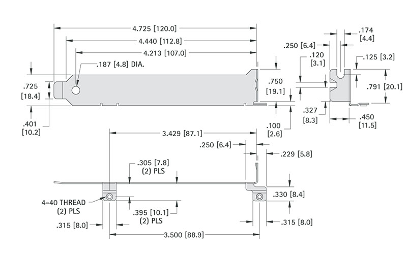
These computer brackets have been designed to accommodate a large variety of board sizes and heights. Available with tabs located properly for ESA/EISA or PCI formats. Blanks can be machined or stamped for prototype or low volume production. All brackets are nickel plated for a clean look and a protective finish. Standard cut-outs can be added to these blanks to suit your specific production needs.
Unit of Measure

Specifications

Material Thickness

N/A 0.032 in0.81 mm

Material

N/A Steel

Finish

N/A Matte Nickel

Available SKUs

N/A 9200 9201 9202 9203 9204 9205 9206 9207 9208 9230 9231

Type

N/A EISA ISA PCI

Features

N/A

  • Premium quality
  • Designed to fit all PC computers height brackets available
  • Blanks available for "fillers"
  • Fast delivery and cost effective tooling for special designs