COMPANY HEADER
Request Information
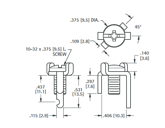
These heavy duty terminals are available with the screw installed or unassembled, and feature easy access to connect solid or stranded wire, crimp type lugs or terminals.
Unit of Measure

Specifications

Type

N/A 10-32 Screw Size 30 Amphere Current Heavy Duty

Current Rating

N/A 30 A

Terminal Material

N/A Brass

Terminal Finish

N/A Matte Tin

Head Color Available

N/A Black Blue Green Nickel Red White Yellow

Screw Material

N/A Steel

Screw Finish

N/A Nickel

Terminal Size

N/A 0.064 in1.6 mm

Screw Supplied Unassembled

N/A 1208

Screw Installed

N/A 1283

Screw Size

N/A 10-32

Screw Length

N/A 0.375 in9.5 mm

Certification

N/A ISO 9001 RoHS Compliant

Principal Features

N/A

  • Anti-rotation tab for use with spade terminals
  • Below the board notched leg, to facilitate mechanical and solder connections
  • Easy to connect using solid or stranded wire, crimp lugs or terminals
  • Available with screw installed, unassembled, or without screw